μ-Dish Microscopy Rack
Model:80035 80036 80037
Brand:ibidi
Specifications :
Introduction:A microscopy rack for perfect μ-Dish stabilization Compatible with all inverted microscopes Lid can be fixed with magnetic positioning for additional stabilization (magnetic lids not included, please order separately here)
Applications
Microscopy of samples in μ-Dishes
Technical Features
Lids are not included, please order separately here
Holder for up to six μ-Dishes, 35 mm, high or low when paired with a Magnetic Lid
Outer dimensions are the same as of a multiwell plate
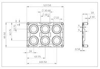
Technical Drawing

Technical drawing rack (PDF)
Specifications
| Length x width | 127.5 x 85.5 mm2 |
| Height | 19.5 mm |
| Stackable | Yes |
| Compatible with | ibidi μ-Dishes 35 mm, high or low |
| Material | Anodized aluminum |
| Sterilization | Autoclavable, alcohol |
Related Products
Co selection0products

